|
User Manual for Digigram Cable - VX222HR-Mic Balanced Analog I O Replacement Cable Click to enlarge the picture
Contents of the user manual for the Digigram Cable - VX222HR-Mic Balanced Analog
- Product category: Accessories Digigram
- Brand: Digigram
- Description and content of package
- Technical information and basic settings
- Frequently asked questions – FAQ
- Troubleshooting (does not switch on, does not respond, error message, what do I do if...)
- Authorized service for Digigram Accessories
|
User manual for the Digigram Cable - VX222HR-Mic Balanced Analog contain basic instructions
that need to be followed during installation and operation.
Before starting your appliance, the user manual should be read through carefully.
Follow all the safety instructions and warnings, and be guided by the given recommendations.
User manual is an integral part of any Digigram product,
and if it is sold or transferred, they should be handed over jointly with the product.
Following the instructions for use is an essential prerequisite for protecting
health and property during use, as well as recognition of liability on the part of the manufacturer
for possible defects should you make a warranty claim. Download an official Digigram user manual in which you will find instructions on how to install, use, maintain and service your product.
And do not forget – unsuitable use of a Digigram product will considerably shorten its lifespan!
|
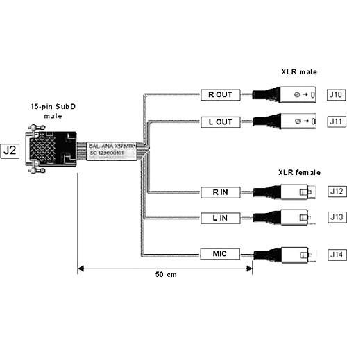
Product description The SC157300201 from Digigram is a replacement cable for the VX222HR PCI card, and provides two-channels of balanced analog input and output. Additionally, a single microphone XLR-F input is included. The cable interfaces with the PCI card using a 15-pin D-sub connector. In the Box Digigram Cable - VX222HR-Mic Balanced Analog I/O Replacement Cable One (1) Year Warranty Table of Contents
|
Upload User Manual
Have you got an user manual for the Digigram Cable - VX222HR-Mic Balanced Analog I O Replacement Cable in electronic form? Please send it to us and help us expand our library of instruction manuals.
Thank you, too, on behalf of other users.
To upload the product manual, we first need to check and make sure you are not a robot. After that, your "Submit Link" or "Upload File" will appear.
Technical parametersDigigram SC157300201 Specs | Analog Inputs | 2 x XLR-F Line (on breakout cable) 1 x XLR-F Microphone (on breakout cable) | | Analog Outputs | 2 x XLR-M on breakout cable | | | | Package Weight | 0.6 lb | | Box Dimensions (LxWxH) | 5.8 x 4.9 x 0.9" |
Rating90% users recommend this product to others. And what about you?

This product has already been rated by 63 owners. Add your rating and experience with the product.
Discussion
Ask our technicians if you have a problem with your settings,
or if anything is unclear in the user manual you have downloaded.
You can make use of our moderated discussion.
The discussion is public and helps other users of our website who may be encountering similar problems.
The discussion is empty - enter the first post
Post a new topic / query / comment:
|
|
|
| Request for user manual |
You can’t find the operation manual you are looking for? Let us know and we will try to add the missing manual:
I’m looking for a manual / Request for manual
Current requests for instruction manuals:
I need a user manual and parts diagram for a Manfrotto Super Salon 280 Camera Stand - 9’
Thanks!... OBIHI phone model number obi1032... Instructions manual for a SONY woofer Model number: SA-W10... I need the manual for a printer Brother MFC-J805DW. Reason is cause my printer is not recognizing the generic color cartridges LC3035... I have a question, can you contact me at valenti-lanza@m.spheremail.net ? Cheers!...
|
| Discussion |
Latest contributions to the discussion:
Query Name: Bruce Dunn Avid Sibelius | Ultimate Standalone Perpetual I seem to have lost the lower right hand icon that allows me to input notes, rests, voices etc. Can you tell me how to get it back?... Difficult to remove the gooseneck mic. Help or advice needed. Name: Joe Matos Telex MCP90-18 - Panel Mount Gooseneck Hi, I picked up an RTS KP-32 intercom and it has a gooseneck MCP90 mic installed, however I can't get it to come off. I read that it is reverse threaded 1/ 4" TRS, however when I tried by gripping it hard and turning clockwise, it still didn't come off. And turning counterc... Question Name: Dean Williams Moultrie ATV Food Plot Spreader - When spreading seed, does the gate automatically close when you turn the spreader off? Or do you have to close the gate via some other action?... Video Promotion for your website? Name: Joanna Riggs Salamander Designs Keyboard Storage Shelf for Hi,
I just visited search-manual.com and wondered if you'd ever thought about having an engaging video to explain or promote what you do?
Our prices start from just $195 USD.
Let me know if you're interested in seeing samples of our previous work.
Regards,
Joanna... Need a REPAIR manual Name: Dennis Behrends Loctek Flexispot V9 Desk Exercise Bike How do I get a REPAIR manual for a Loctek Flexispot V9 Desk Exercise Bike. I cannot get the petal crank off so I can remove the side panel. I have a crank removal tool but I'm afraid it will strip the threads because it is really stuck on there....
|
|